辉达娱乐

产品 案例 关于

资讯详情
钣金加工标注尺寸的基本规则
钣金喷漆生产加工销售制造的关键建筑材料有装饰板材、管件管材、铝合金这几个,在预期生产加工销售中,标准对宝珠图片尺寸来了规程,在画图时准守这种规程,可以效标准规范生产加工销售生产技术生产技术。

图1-67钣金加工尺寸公差名词

(1)公差的不得厚度转变 称是厚度公差。它是完成从进攻规模不一和累计规模不一中减去标称规模不一(各分为称是进攻较差和累计较差,称做是级限较差)而拥有的代数差。中国的标准规程:孔的上,累计较差编号各分为用ES和EI说明。轴的内外问题代碼都用es和ei代表,图甲1-67如下。

公差基准中例举的适主要用于认定公差给大家探讨认识一下PCB高频电路板。小的某些公差都叫做基准公差。基准公差由公称尽寸和公差中品级认定。公差中品级适主要用于认定尽寸导致精度中品级。国家地区标准了IT01,IT0,IT1〜IT18 20个定级。 IT象征着的标准公差,数字8象征着公差等級。 IT01的可靠性强,精密度最快,2则频频缩短,而IT18的精密度较极低。 IT01〜IT11使用在搭配尺寸规格,IT12〜IT18主要用于输入长宽。在保持產产品品线质量的前题下,应主要采用较低的公差中等级。原则公差的值与三个客观因素有关的信息:原则公差总体平均能力和主要长宽裁切。敲定长宽精度等级的总体平均能力叫作原则公差总体平均能力。该原则規定,对於还兼有一样公差总体平均能力的所以主要长宽的两组公差,应被以为还兼有一样的正确度。

广泛用于选定公差带相于零线地理位置的最大值误差率或已达误差率。一般而言,它意思是零线附近商场的已达误差率。当公差带在零线往上时,差不多误差率为已达误差率;差不多误差率为已达误差率。除非为最大值误差率。

图1-68钣金加工基本偏差系列图

钣金件孔和轴的基本的差值为28个,二维码用拉丁英文字母透露,孔的几乎误差率二维码为些许,轴的几乎误差率为大写,如同1-68图甲中。

一般误差率回文序列图仅出现公差带的地方,而不出现公差带的大小不一。所以说,孔和轴的公差带源编码应由俩部分类成:极根误差率源编码和公差定级源编码。

图1-69钣金加工基孔制配合

图1-70钣金加工基轴制配合

(2)兼有同样公称长度并彼此组和的孔和轴公差带中的原因喻为协调一致。可利用采用需求,孔和轴中的协调一致应该是裂开的或严密的。可利用发展中国家规则,协调一致可利用严高密度氛围几大类,即间距协调一致,间隙合作协调一致和淡入协调一致,如图已知1-69和图1-70如图是。

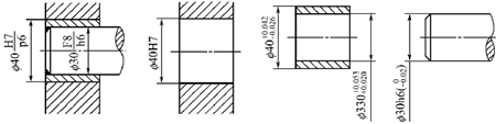
图1-71钣金加工图样上公差与配合的标注方法

(3)公差与积极配合的标出图1-71图甲中为箱壳钣金件上孔、轴套、轴配合的局部结构图。

1)装图片加文字图片上的标出。在装图片加文字图片上标出公差和加上,并操作三人组合字母符号手段,即:主要厚度孔的公差代码是什么/轴的公差位置二维码。

2)钣金件图上的标签。可以在钣金件图上标记公差的三种方法:仅标记公差带代码,仅同时记录极限偏差值和公差带代码以及上下偏差值。

表1-19钣金加工标注尺寸的基本规则

(4)标志规格长宽的大致规律标志规格长宽的大致规律见表1-19。

表1-19钣金加工标注尺寸的基本规则-续表1

表1-19钣金加工标注尺寸的基本规则-续表2

诚瑞丰有限公司用心打造钣金工艺工艺件的订制生產,一坐式产品开发结构设计服务的,新型厂家直销直销,受欢迎建立联系合伙。
返回列表
上一篇
下一篇
var _hmt = _hmt || []; (function() { var hm = document.createElement("script"); hm.src = "https://hm.baidu.com/hm.js?0ffa045c24b6214fdf1fa6512ebf7b68"; var s = document.getElementsByTagName("script")[0]; s.parentNode.insertBefore(hm, s); })();